一、產品作用:是按電氣接線要求將開關設備、測量儀表、保護電器和輔助設備組裝在封閉或半封閉金屬柜中或屏幅上,構成低壓配電裝置。正常運行時可借助手動或自動開關接通或分斷電路。故障或不正常運行時借助保護電器切斷電路或報警。借測量儀表可顯示運行中的各種參數,還可對某些電氣參數進行調整,對偏離正常工作狀態進行提示或發出信號。常用于各發、配、變電所中。便于管理,當發生電路故障時有利于檢修。
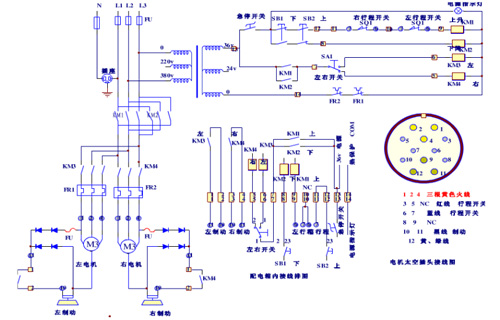
二:線路示意圖:

關于無錫強恒:
無錫市強恒機械有限公司是專業生產ZLP630/ZLP800/ZLP800A等系列建筑吊籃的企業。所生產的“強恒”牌吊籃采用先進技術和加工工藝。質量可靠,性能優異。不僅如此我們還負責吊籃配件的供應,如果有技術上的疑問也可以聯系我們,無錫強恒吊籃高空作業部技術工程師隨時可以為您提供幫助。本公司擁有完備的加工設備和專業的技術人員和技工隊伍,堅持“質量為先,用戶至上”的企業方針,在選科、生產、安裝過程中嚴把質量關,整機性能完全達到GB19155—2003標準。協助“強恒”的每一位用戶事業發達是我們追求的目標,與客戶共同邁向成功是我們努力的方向。一次成功的合作就意味著我們會成為終生的朋友。“強恒”將以優質的產品、完善的服務和優惠的價格為您服務,在吊籃的生產上我們也一直在研究更新型的吊籃,不斷優化,希望適用于更多的使用環境。“強恒”將使您的事業如虎添翼。竭誠歡迎國內外客戶光臨洽談。